武芯烧录器支持复旦微FM33FH0系列芯片编程烧录
发布时间:2026-03-26 09:25:37
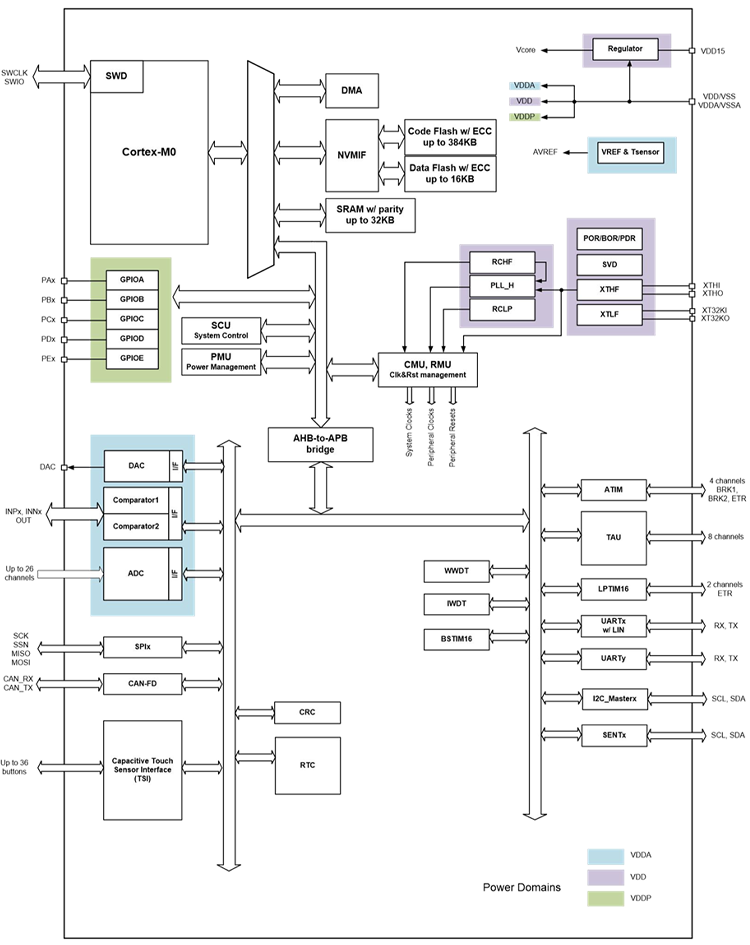
FM33FH0系列是上海复旦微电子推出的一款基于ARMCortex-M0内核的低功耗MCU,最高主频可达72MHz。该系列具备2.2~5.5V 的超宽工作电压范围,结合优异的低功耗特性,适用于各种对功耗、稳定性和触控功能有较高要求的应用场景。
在功耗与性能平衡方面,FM33FH0 基于低功耗技术平台打造,典型运行功耗仅为120uA/MHz(@48Mhz); 在Sleep 睡眠模式下电流低至低至约5uA,而在 DeepSleep 深度睡眠模式(保持RTC 走时、全部RAM 及CPU 内核状态)下,功耗仅约 2.5uA 非常适合电池供电或能量受限的长时间运行设备。
在存储与安全性方面,FM33FH0 提供了可靠的存储配置,最大384KB的 Code Flash,支持ECC 校验,擦写寿命可达100,000 次;以及16KB的Data Flash,擦写寿命高达500,000 次,适合频繁存储参数与日志;并且配备了最大32KB 带奇偶校验的 RAM 空间,提升数据可靠性;同时,该芯片还具备用户代码保护功能,有效保障固件与应用安全。
在模拟与控制外设方面,该系列集成了丰富的模块,包括1 个 12bit 2Msps SAR-ADC(最多支持 26 个外部输入通道)、1 个 10bit DAC 以及 2 个低功耗模拟比较器 。此外,还内置了最多支持 36 通道的电容式按键触摸控制器(TSI),极大地方便了触控界面的设计与应用。且芯片集成了LIN控制器、通用同异步收发传输器(USART)、低功耗 UART (LPUART)、双线串行总线主机 (I²C)、串行外设接口 (SPI/I2S) 以及 QUADSPI 等多种通信接口,可用于高速外部存储器扩展。
主要特性:
内核:ARMCortex-M0 最高主频72MHz
低功耗模式:典型运行功耗120uA/MHz@48Mhz、Sleep模式:5uA、DeepSleep模式,RTC走时+全部RAM保持+CPU内核保持:2.5uA
存储器:32KB RAM空间,支持parity、最大384KBCodeFlashw/ ECC、16KBDataFlash w/ ECC
模拟外设:超低功耗PDR电路、可编程电源监测模块(SVD)、2x低功耗模拟比较器、12bit 2Msps SAR-ADC,最大26个外部输入通道、10bitDAC、温度传感器
电容式触摸按键
通信接口:UART*6,支持LIN通信、USART*2,支持智能卡接口、LPUART*1、SPI*3,主从模式、I2C主机*2,400K、SENT*2、QSPI*1,支持XIP、7通道外设DMA、可编程CRC校验模块
定时器:高级定时器*1、24-bit Systick*1、16bit低功耗定时器*1、16bit基本定时器*1、看门狗定时器*2、低功耗实时时钟日历(RTCC)、TAU定时器阵列
时钟发生电路:片上可配置高速RC振荡器、低功耗32768Hz晶体振荡器、低功耗低速RC振荡器、高频晶体振荡器、PLL
宽电压范围:2.2~5.5V
工作温度范围:-40℃~+105℃
封装:LQFP100/LQFP64/LQFP48/QFN32

功能框图
武芯科技作为通用型芯片烧录器制造商,专注于IC烧录、测试领域。在持续优化更新烧录软件的同时,也在积极扩充和兼容各大厂商的芯片型号的烧录。ET9800烧录器支持一拖八烧录,同时提供联机、脱机等工作模式,可全方位满足复旦微FM33FH0系列芯片的裸片离线烧录与在板烧录的量产需求。

ET9800是一款支持联机、脱机的量产型高速烧录器。采用高性能ARM+FPGA的硬件架构设计,编程带宽高达1.6Gb/s;内置128GB eMMC母头模块,能高效提升eMMC母片拷贝的量产效率;配备4.3英寸LCD触摸屏,优化脱机操作的交互体验;支持“一拖八”并行烧录,可实现复杂多样的烧录需求;且设备集成多种丰富接口,涵盖100/1000M以太网、SD卡、USB2.0 Device、RS-232串口、电源开关及接地端子等,灵活适配多元应用场景。同时提供上位机与下位机软件,支持自动化场景定制,适配智能化产线需求;支持各大厂商各种封装的MCU、eMMC、SPI、Nor/Nand flash、Parallel Nor/Nand flash、EEPROM及DSP等类型芯片,烧写稳定、高效。为客户提供创新的多场景芯片(IC)烧录解决方案。