武芯烧录器支持德州仪器TI BQ40Z80芯片
发布时间:2026-01-29 14:39:44
德州仪器(TI)推出的BQ40Z80是一款面向2节至6节串联锂离子或锂聚合物电池包的高集成度电池管理芯片,采用 Impedance Track™ 阻抗跟踪电量测量技术,可为多节电池系统提供精准的电量估算和管理。BQ40Z80 在单芯片中集成了多种关键功能,包括专利阻抗跟踪算法、多路气体检测、多重安全保护机制以及安全认证功能,能够全面保障电池包在复杂工况下的安全与可靠运行。
该器件利用内部高性能模拟外设,可精确测量并实时维护电池相关的运行参数,如:可用容量(State of Charge, SOC)、总电压、充放电电流、温度等。这些测量数据会通过兼容 SMBus v1.1 标准的通信接口上报给系统主机控制器,便于上层系统对电池状态进行实时监控和策略调整。在安全认证方面,BQ40Z80 支持椭圆曲线密码学(ECC)或带有安全内存 SHA-1 认证的可选方案。此外,BQ40Z80 还支持TURBO模式2.0/英特尔动态电池供电技术(DBPTv2),能够根据电池和系统负载情况,动态调整并向主机系统提供可用的最大功率和最大电流,在保证安全的前提下最大化供电性能。
在安全保护方面,BQ40Z80 内置基于软件的一级和二级安全保护机制,可对多种潜在故障和风险进行检测和防护。该器件提供了8个多功能引脚,可根据实际应用灵活配置。同时,状态寄存器与标志寄存器可直接映射到 GPIO 引脚,用作向主机处理器发送中断信号的触发源,从而实现事件的快速响应和处理。BQ40Z80 采用紧凑的 32 引脚 QFN 封装,在尽可能缩小体积的同时,最大限度地集成了电量测量、安全管理及系统交互等功能,从而在降低整体成本。
主要特性
完全集成的2-6 节锂离子或锂聚合物电池包管理器和保护功能
获得专利的新一代 Impedance Track™ 技术可准确测量锂离子和锂聚合物电池中的可用电量
具有可配置的多功能引脚,支持多种应用
支持椭圆曲线加密 (ECC) 或 SHA-1 身份验证
高侧 N 沟道保护 FET 驱动器
充电或者静止状态时具有集成的电芯均衡功能
原生支持 29Ah 的电池,扩展后还可支持更大的电池容量
全面的可编程保护功能:电压、电流、温度、充电超时、CHG/DSG FET、AFE
精密的充电算法:JEITA、增强型充电、自适应充电、电芯均衡
支持 TURBO 模式 2.0/Intel 动态电池功率技术 (DBPTv2)
诊断使用寿命数据监控器和黑盒记录器
LED 显示
支持双线制 SMBus v1.1 接口
IATA 支持
紧凑型封装:32 引线 QFN (RSM)

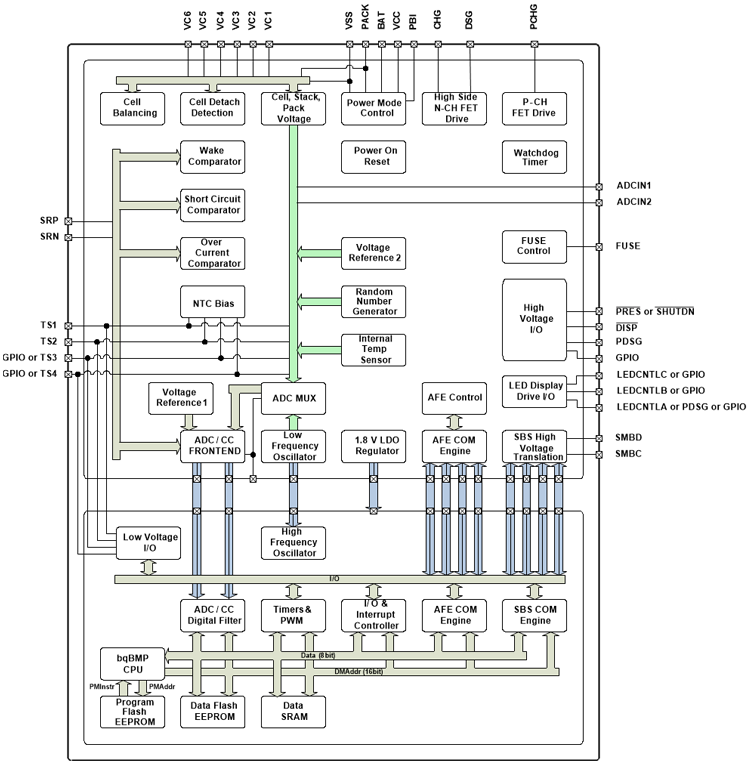
内部框图
武芯科技作为通用型芯片烧录器制造商,专注于IC烧录、测试领域。在持续优化更新烧录软件的同时,也在积极扩充和兼容各大厂商的芯片型号的烧录。ET9800烧录器支持一拖八烧录,同时提供联机、脱机等工作模式,可全方位满足德州仪器(TI)BQ40Z80芯片的裸片离线烧录与在板烧录的量产需求。

ET9800是一款支持联机、脱机的量产型高速烧录器。采用高性能ARM+FPGA的硬件架构设计,编程带宽高达1.6Gb/s;内置128GB eMMC母头模块,能高效提升eMMC母片拷贝的量产效率;配备4.3英寸LCD触摸屏,优化脱机操作的交互体验;支持“一拖八”并行烧录,可实现复杂多样的烧录需求;且设备集成多种丰富接口,涵盖100/1000M以太网、SD卡、USB2.0 Device、RS-232串口、电源开关及接地端子等,灵活适配多元应用场景。同时提供上位机与下位机软件,支持自动化场景定制,适配智能化产线需求;支持各大厂商各种封装的MCU、eMMC、SPI、Nor/Nand flash、Parallel Nor/Nand flash、EEPROM及DSP等类型芯片编程烧录,为客户提供创新的多场景芯片(IC)烧录解决方案。